Zertifiziert
nach DIN EN ISO 9001:2015 und DIN EN ISO/IEC 17024.
Ihre wissenschaftliche Arbeit in Diagnostik und Wirkstoff-Entwicklung wird durch unsere elektronenmikroskopischen Untersuchungen und Bilddokumentationen im wahrsten Sinne des Wortes anschaulich erklärt und deutlich beschleunigt.
Als zertifiziertes Dienstleistungslabor unterstützt die Microscopy Services Dähnhardt GmbH Sie mit einem umfangreichen Service-Portfolio im Life Science Bereich und spart Ihnen wertvolle Zeit- und Geld-Ressourcen. Wir nehmen Ihnen Arbeit ab, indem wir für Sie
Keiner wartet gerne auf Ergebnisse. Sie auch nicht. Daher haben wir für Sie einen Schnell-Service etabliert, der die Dynamik Ihrer Produkt- und Entwicklungsprozesse durch kürzeste Reaktionszeiten garantiert. Ihr dermatologisches Anliegen trifft bei uns auf eine besondere und langjährige Expertise.
Wir sind selbstverständlich nach DIN EN ISO 9001:2015 und DIN EN ISO/IEC 17024 zertifiziert und dürfen namhafte Pharma- Medizintechnik-und Kosmetik- unternehmen zu unseren Referenzkunden zählen.
Dipl. Ing. Stephan Dähnhardt-Pfeiffer ist bereits seit nahezu 10 Jahren als
„Sachverständiger für Elektronenmikroskopische Analysen“
bei der akkreditierten Zertifizierungsstelle der European Certification EUCERT CYF in Wales mit fachlicher Kompetenz im Sachverständigenwesen (NACE 82.99) nach DIN EN ISO / IEC 17024 zertifiziert.
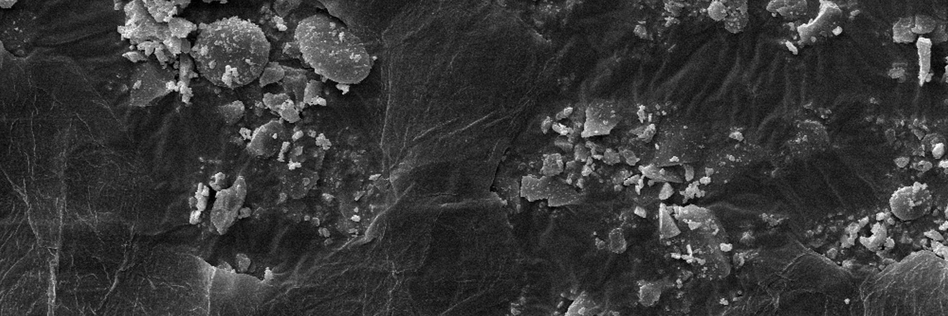
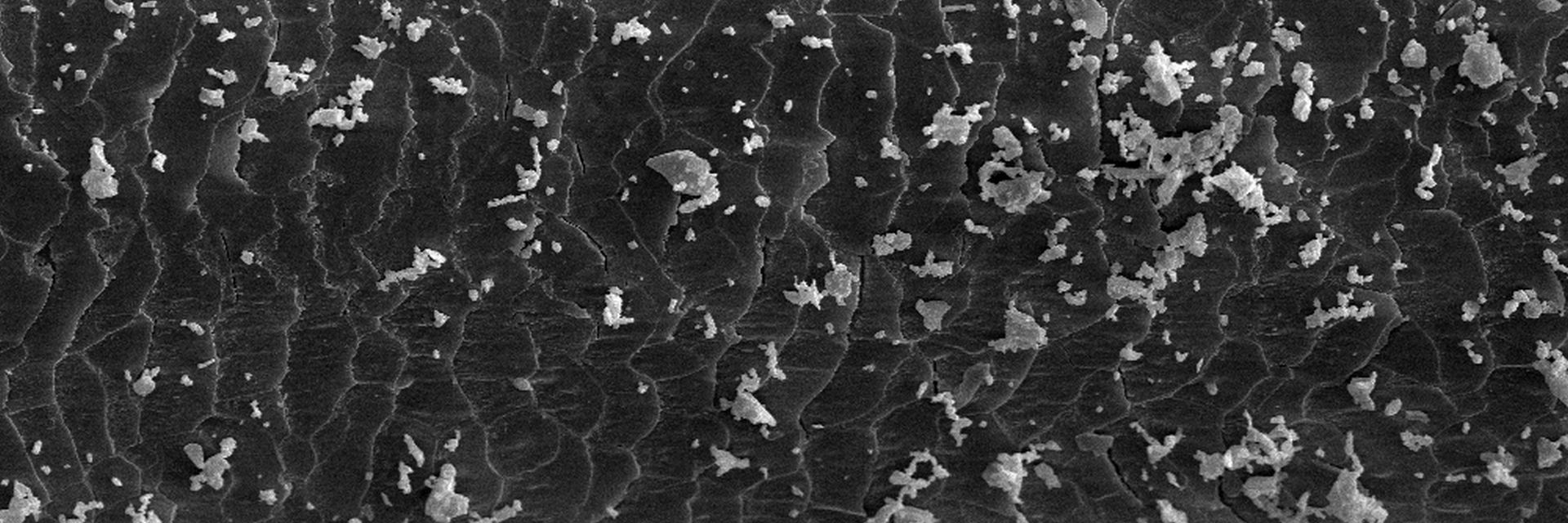
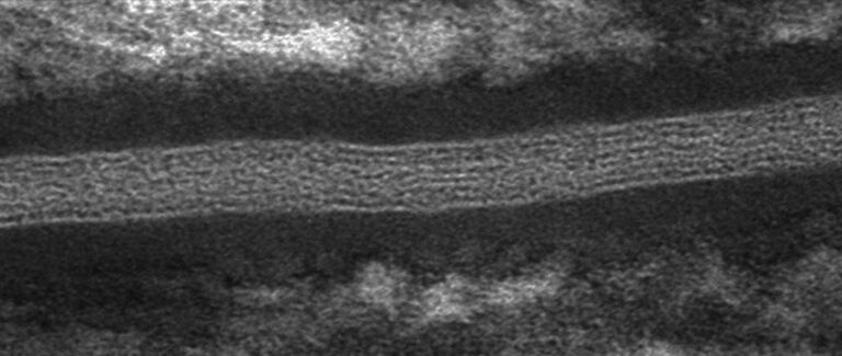
Microscopy Services setzt das patentierte Analyseverfahren Lipbarvis® (Lipid Barrier Visualisation, LBV) ein, um die epidermale Hautbarriere direkt ohne invasive Probenahmen untersuchen zu können.
Einleitungsteaser Anti Pollution Einleitungsteaser Anti Pollution Einleitungsteaser Anti Pollution Einleitungsteaser Anti Pollution Einleitungsteaser Anti Pollution Einleitungsteaser Anti Pollution Einleitungsteaser Anti Pollution Einleitungsteaser Anti Pollution Einleitungsteaser Anti Pollution Einleitungsteaser Anti Pollution Einleitungsteaser Anti Pollution.
Teasertext Well-Aging Teasertext Well-Aging Teasertext Well-Aging Teasertext Well-Aging Teasertext Well-Aging Teasertext Well-Aging Teasertext Well-Aging Teasertext Well-Aging Teasertext Well-Aging Teasertext Well-Aging Teasertext Well-Aging Teasertext Well-Aging Teasertext Well-Aging Teasertext Well-Aging Teasertext Well-Aging.
Teasertext Hautpflege Teasertext Hautpflege Teasertext Hautpflege Teasertext Hautpflege Teasertext Hautpflege Teasertext Hautpflege Teasertext Hautpflege Teasertext Hautpflege Teasertext Hautpflege Teasertext Hautpflege Teasertext Hautpflege Teasertext Hautpflege.
Teasertext Strukturanalyse Teasertext Strukturanalyse Teasertext Strukturanalyse Teasertext Strukturanalyse Teasertext Strukturanalyse Teasertext Strukturanalyse Teasertext Strukturanalyse Teasertext Strukturanalyse Teasertext Strukturanalyse Teasertext Strukturanalyse.
Zögern Sie nicht uns anzusprechen, nutzen Sie unser